×
 

TERMINAISON TARAUDÉE TÊTE CYLINDRIQUE HEXAGONALE CREUSE Inox A4 (Modèle : 97526)

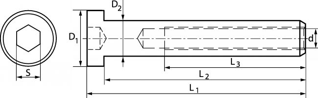
97526 TERMINAISON TARAUDÉE TÊTE CYLINDRIQUE HEXAGONALE CREUSE Inox A4

Photos

Nouveau

Dessins techniques

Informations

Aucune information supplémentaire sur ce produit.

Documents

Quantité
 
+
NC
NC
975265
5
32
30
20
4
12
7
3533929752653
NC
NC
975266
6
32
30
20
5
12
8
3533929752660
NC
NC
975268
8
38,5
35
25
6
16
10
3533929752684

Retour en haut